SBH-5t稱重傳感器 梅特勒托利多

產品品牌:瑞士梅特勒托利多METTLER TOLEDO
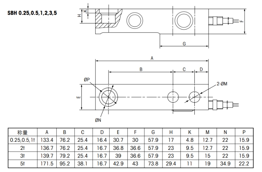
產品型號:SBH-5t
梅特勒托利多傳感器稱重傳感器產品描述:
剪切梁稱重傳感器,不銹鋼材質,激光焊接密
IP67防護等級,OIML C3 R60 3000d
具有危險區域(防爆)認證 ATEX
結構緊湊,安裝高度低
小巧,易安裝,穩定性好,受力方式:壓力
量程可選:250Kg,500Kg,1t,2t,3t,5t
應用:平臺秤,料倉,料罐,地磅

梅特勒托利多稱重傳感器完整型號如下:
SBH-0.5t SBH-1t稱重傳感器 梅特勒托利多
SBH-2t SBH-3t稱重傳感器 梅特勒托利多
SBH-5t稱重傳感器 梅特勒托利多
METTLER TOLEDO稱重傳感器相關知識拓展閱讀:
使用稱重傳感器必須注意的幾個問題 在現代科技工業當中稱重傳感器的使用是無所不在,因為電阻應變式稱重傳感器本身是一種堅固、耐用、可靠的機電產品,但為了保證測試精度,但仍有許多在使用中要注意的問題,,那么使用稱重傳感器時應該注意哪些事項呢?下面講述一些稱重傳感器使用必須注意到的九個方面的問題: 1.稱重傳感器周圍應盡量設置一些“擋板”,甚至用薄金屬板把傳感器罩起來。這樣可防止雜物玷污傳感器及某些可動部分,而這種“沾污”往往會使可動部分運動不爽,而影響稱量精度。系統有無運動不爽現象,可以用以下方法判別。即在秤臺上加或減大約千分之一額定負荷看看稱重顯示儀是否有反映,有反映,說明可動部分未受“沾污”。 2.所有通向顯示電路或從電路引出的導線,均應采用屏蔽電纜。屏蔽線的聯接及接地點應合理。若未通過機械框架接地,則在外接地,但屏蔽線互相聯接后未接地,是浮空的。注意:有3只傳感器是全并聯接法,傳感器本身是4線制,但在接線盒內換成6線制接法。傳感器輸出信號讀出電路不應和能產生強烈干擾的設可”控硅,接觸器等)及有可觀熱量產生的設備放在同一箱體中,若不能保證這一點,則應考慮在它們之間設置障板隔離之,并在箱體內安置風扇。用以測量傳感器輸出信號的電子線路,應盡可能配置獨立的供電變壓器,而不要和接觸器等設備共用同一主電源。 3.傳感器應采用鉸合銅線(截面積約50mm2)形成電氣旁路,以保護它們免受電焊電流或雷擊造成的危害。傳感器使用中,必須避免強烈的熱輻射,尤其是單側的強烈熱輻射
【廣州★南創】瑞士梅特勒托利多METTLER TOLEDO稱重傳感器SBH-5t,哪里有賣METTLER TOLEDO稱重傳感器SBH-5t,梅特勒托利多稱重傳感器SBH-5t,SBH-5t傳感器價格資訊及產品服務,請撥打全國服務熱線電話:020-82303306。
