TSC-1000kg TSC-2000kg稱重傳感器 梅特勒托利多

產品品牌:瑞士梅特勒托利多METTLER TOLEDO
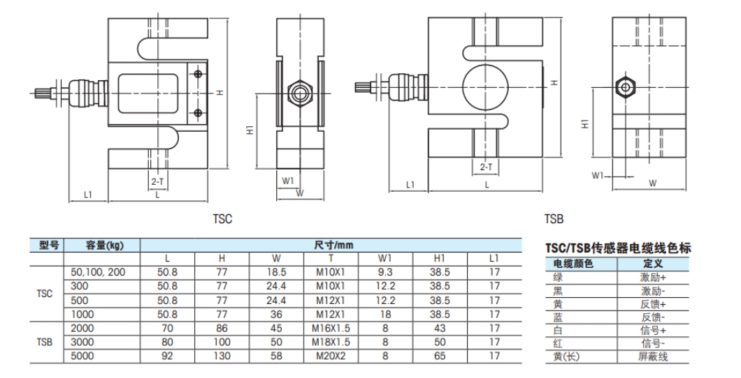
產品型號:TSC-1000kg TSC-2000kg
梅特勒托利多傳感器稱重傳感器產品描述:
TSC受力方式:拉壓兩用
其輸出的是mv信號
其防護等級為IP65
合金鋼材質,表面鍍鎳
具有長期穩定性等優點
主要應用于吊鉤秤,試驗機,懸浮倉上面
量程可選:50,100,200,300,500,1000Kg

TSC-100kg TSC-200kg稱重傳感器 梅特勒托利多
TSC-300kg TSC-500kg稱重傳感器 梅特勒托利多
TSC-1000kg TSC-2000kg稱重傳感器 梅特勒托利多
TSC-1T稱重傳感器 梅特勒托利多
METTLER TOLEDO稱重傳感器相關知識拓展閱讀:
實現壓力傳感器抗沖擊的兩種方法介紹
壓力傳感器的應用,它是非常廣泛的,幾乎與我們的生活形影不離了,當然它的應用環境也是多樣的,環境好的對傳感器的應用還沒有多少影響,如果是環境比較惡劣的,那么對壓力傳感器的要求也是會相對比較高,例如壓力傳感器有的會要用來測沖擊壓力,這個就要求高了,我們一般有兩種方法來測量沖擊壓力。 方法一就是用普通的陶瓷壓力傳感器或者擴散硅壓力傳感器來測量,但不是直接進行測量,而且在前面加一個緩沖管,這樣也能測量沖擊性壓力。這種方法經濟實惠,安裝方便,所以應用也是非常廣泛。 方法二就是改變壓力變送器芯片,不用普通的陶瓷芯體或者擴散硅芯體,而用應變片,電阻應變片是一種將被測件上的應變變化轉換成為一種電信號的敏感器件。它是壓阻式應變傳感器的主要組成部分之一。電阻應變片應用最多的是金屬電阻應變片和半導體應變片兩種。金屬電阻應變片又有絲狀應變片和金屬箔狀應變片兩種。通常是將應變片通過特殊的粘和劑緊密的粘合在產生力學應變基體上,當基體受力發生應力變化時,電阻應變片也一起產生形變,使應變片的阻值發生改變,從而使加在電阻上的電壓發生變化。這種應變片在受力時產生的阻值變化通常較小,一般這種應變片都組成應變電橋,并通過后續的儀表放大器進行放大,再傳輸給處理電路。應變片壓力傳感器一般能抗沖擊,而且抗沖擊比較好,但是這種傳感器精度有待商榷。 在這里介紹這兩種方法測量壓力傳感器沖擊力,其實主要的目的就是為了保護傳感器芯體不被沖擊力所破壞,沒有特別的要求一定得用哪種方法,主要還是得根據具體的環境和客戶的要求來做。
【廣州★南創】瑞士梅特勒托利多METTLER TOLEDO稱重傳感器TSC-1000kg,哪里有賣METTLER TOLEDO稱重傳感器TSC-2000kg,梅特勒托利多稱重傳感器TSC-1000kg,TSC-2000kg傳感器價格資訊及產品服務,請撥打全國服務熱線電話:020-82303306。