SSH-500kg SSH-1000kg稱重傳感器 梅特勒托利多

產品品牌:瑞士梅特勒托利多METTLER TOLEDO
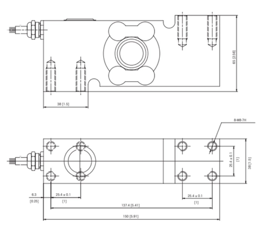
產品型號:SSH-500kg SSH-1000kg
梅特勒托利多傳感器稱重傳感器產品描述:
偏心負載補償(R76)
OIML R60 C3認證(200-1000kg)
高達800x1200 mm的平臺尺寸
IP68防護等級
不銹鋼
50-1000kg容量范圍

梅特勒-托利多S型稱重傳感器完整型號推薦:
SSH-200kg SSH-50kg稱重傳感器 梅特勒托利多
SSH-500kg SSH-1000kg稱重傳感器 梅特勒托利多
SSH-300kg稱重傳感器 梅特勒托利多
METTLER TOLEDO稱重傳感器相關知識拓展閱讀:
數字傳感器是在模擬稱重傳感器之后出現的新型產品。數字傳感器有很多優點然而,事物總具有兩面性,雖然數字式稱重傳感器性能十全十美的,其缺點也很突出,主要是:
(1)由于電子元器件內部增加了數字處理電路和溫度傳感器等,使原本內部的電子元件由11個增加到60多個。焊點也從30多個增加到350多個。而稱重傳感器的平均無故障時間與其含有的電子元件和焊點數量成反比,因此,穩定性和可靠性必然有所下降,產品壽命縮短。
(2)內電子元件工作溫度范圍小因此就決定了傳感器的工作溫度范圍,一般為一10~40℃。如需要在一10。C以下工作時,應選用低溫元器件,其成本將呈幾倍上升,不是所有客戶都能接受的。
(3)將數字處理電路置于稱重傳感器內部,在型式評價試驗時除應進行傳統的試驗外,還應進行影響量和干擾量的附加試驗。
(4)內部的數字處理電路降低了防爆等級,若滿足防爆要求,必須采取較昂貴的防爆或隔爆措施。
(5)制造和維修成本較高,無論是電阻應變計電路部分還是數字處理電路部分出現故障,均需整體更換一個新的數字式智能稱重傳感器。
【廣州★南創】瑞士梅特勒托利多METTLER TOLEDO稱重傳感器SSH-500kg,哪里有賣METTLER TOLEDO稱重傳感器SSH-1000kg,梅特勒托利多稱重傳感器SSH-500kg,SSH-1000kg傳感器價格資訊及產品服務,請撥打全國服務熱線電話:020-82303306。
