稱重傳感器HLJ-3t HLJ-5t梅特勒托利多

產品品牌:瑞士梅特勒托利多METTLER TOLEDO
產品型號:HLJ-3T HLJ-15
梅特勒托利多傳感器稱重傳感器產品描述:
不銹鋼材質,激光焊接密封,防護等級IP68
安裝高度低,結構緊湊,長期穩定性好
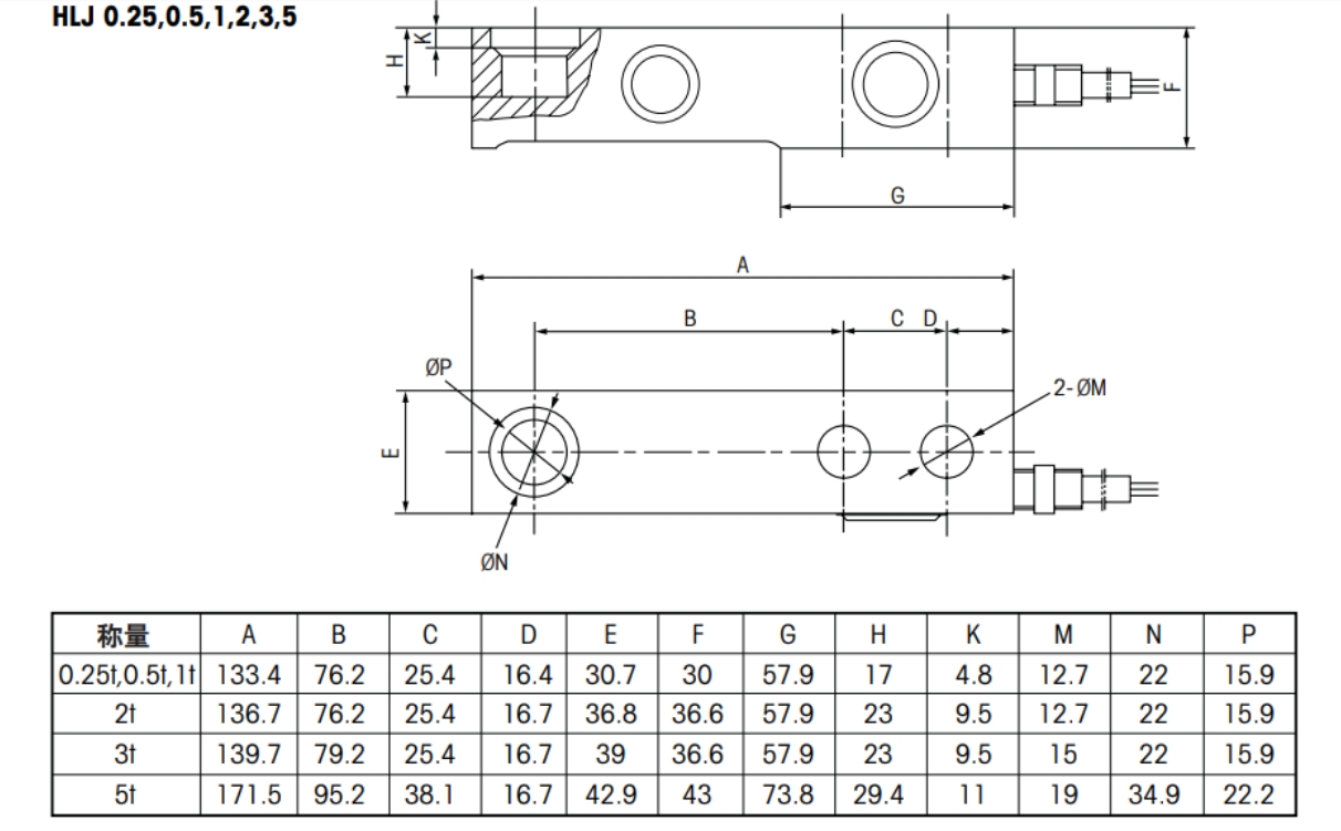
量程范圍:250,500,1000,2000,3000,5000Kg
適用于地上衡、化工、建材等行業配料稱重控制等

梅特勒-托利多S型稱重傳感器完整型號推薦:
稱重傳感器HLJ-0.5T HLJ-0.25t梅特勒托利多
稱重傳感器HLJ-2T HLJ-1t梅特勒托利多
稱重傳感器HLJ-3t HLJ-5t梅特勒托利多
METTLER TOLEDO稱重傳感器相關知識拓展閱讀:
稱重傳感器作為信號源像后接電路輸出代表被測量變化的信號.從稱重傳感器的輸出端來看有兩種輸出阻抗類型,一個是高輸出阻抗一個是低輸出阻抗,輸出阻抗的大小也決定了稱重傳感器的電路結構形式.大家對于這兩種稱重傳感器的輸出阻抗都了解多少呢?
一、高輸出阻抗型
這類稱重傳感器一般輸出信號微弱、輸出阻抗高.如壓電式稱重傳感器,輸出信號是微弱的電荷量,而輸出阻抗高達10^8Ω 以上;電流電離室代表被測量變化的輸出電 離電流(nA級),輸出阻抗為電離室兩極間的漏電阻。
稱重傳感器電路的作用有兩方面:一是能吸收信號源的輸出信號并進行一定變換和放大,將信號變換成電路易于處理的形式;二是阻抗變換,將稱重傳感器的高輸出阻抗變換成低輸出阻抗.這就要求稱重傳感器電路具有很高的輸入阻抗和盡可能低的輸出阻抗,同時還具有低噪聲、低漂移、抗干擾能力強的特點。
二、低輸出阻抗型
這類稱重傳感器的輸出阻抗較低,輸出信號形式多種多樣.這種稱重傳感器的后接電路,它的作用一般是將信號不失真地變換成較強的電壓或電流信號,在它的性能上對穩定性、抗干擾能力等方面考慮較多。
【廣州★南創】瑞士梅特勒托利多METTLER TOLEDO稱重傳感器HLJ-3T,哪里有賣METTLER TOLEDO稱重傳感器HLJ-5T,梅特勒托利多稱重傳感器HLJ-2T,HLJ-1T傳感器價格資訊及產品服務,請撥打全國服務熱線電話:020-82303306。

