稱重傳感器SLB215-550kg SLB215-1100kg梅特勒托利多

產品品牌:瑞士梅特勒托利多METTLER TOLEDO
產品型號:SLB215-550kg SLB215-1100kg
梅特勒托利多傳感器稱重傳感器產品描述:
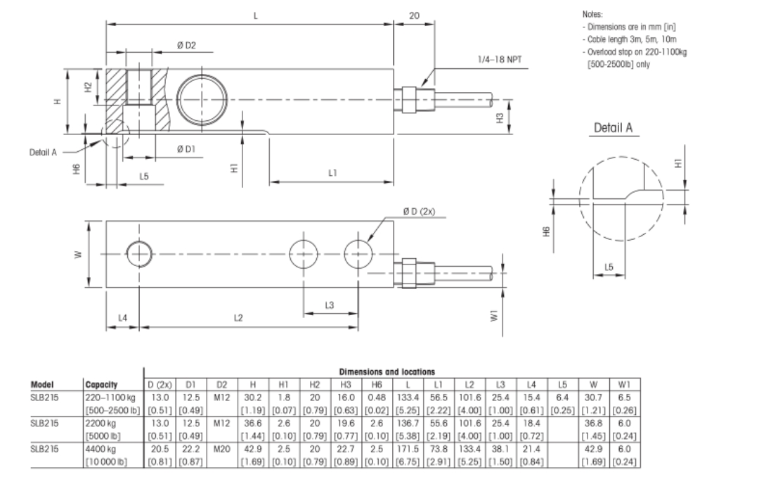
防護等級為IP68,精度等級:C1/C3
傳感器表面鍍鎳,采用激光焊接密封,可以在多種復雜的工業環境中使用
量程:220Kg,550Kg,1.1t,2.2t,4.4t
該系列傳感器可選防爆型
可根據不同的稱重系統結構,選擇合適的連接件,確保重量準確合理地傳遞到稱重傳感器,保證測量精度
適用于平臺秤、料灌稱重、混凝土、玻璃等各種建筑材料配料稱重系統

梅特勒-托利多S型稱重傳感器完整型號推薦:
稱重傳感器SLB215-1.1T SLB215-0.55T梅特勒托利多
稱重傳感器SLB215-2.2T SLB215-220kg梅特勒托利多
稱重傳感器SLB215-550kg SLB215-1100kg梅特勒托利多
METTLER TOLEDO稱重傳感器相關知識拓展閱讀:
壓力傳感器(Pressure sensor):
能夠測量壓力并提供遠傳電信號的裝置統稱為壓力傳感器。壓力傳感器是壓力檢測儀表的重要組成部分,其結構型式多種多樣,常見的型式有應變式、壓阻式、電容式、壓電式、振頻式壓力傳感器等。此外還有光電式、光纖式、超聲式壓力傳感器等。采用壓力傳感器可以直接將被測壓力變換成各種形式的電信號,便于滿足自動化系統集中檢測與控制的要求,因而在工業生產中得到廣泛應用。
壓力傳感器的類型:
01應變式壓力傳感器
應變式壓力傳感器是一種通過測量各種彈性元件的應變來間接測量壓力的傳感器。根據制作材料的不同,應變元件可以分為金屬和半導體兩大類。應變元件的工作原理基于導體和半導體的“應變效應”,即當導體和半導體材料發生機械變形時,其電阻值將發生變化。
當金屬絲受外力作用時,其長度和截面積都會發生變化,其電阻值即會發生改變,假如金屬絲受外力作用而伸長時,其長度增加,而截面積減少,電阻值便會增大。當金屬絲受外力作用而壓縮時,長度減小而截面增加,電阻值則會減小。只要測出加在電阻兩端的電壓的變化,即可獲得應變金屬絲的應變情況。
【廣州★南創】瑞士梅特勒托利多METTLER TOLEDO稱重傳感器SLB215-550kg,哪里有賣METTLER TOLEDO稱重傳感器SLB215-1100kg,梅特勒托利多稱重傳感器HLJ-2T,HLJ-1T傳感器價格資訊及產品服務,請撥打全國服務熱線電話:020-82303306。